www.diyfactory.ru



Страницы: (5) [1] 2 3 ... Последняя »  ( Перейти к первому непрочитанному сообщению ) Ответ в темуСоздание новой темыСоздание опроса

> hi-octane с сайта x84
stas
Дата 5.03.2009 - 19:42
Цитировать сообщение




Unregistered












ќткуда:


Всем привет!!!
Решил собрать гитарный усилитель Hi-octane по схеме с сайта AX84.com
Все по схеме вроде понятно , но вот насчет выходного транса в раздумьях ?
Какой лучше поставить ? Есть ТВ3-Ш , но на форумах его не очень хвалят , или может это не так ?
Нашел ссылки на трансы --TW 4SE от фирмы аудиоиструмент и VR5CSE от фирмы аудиопортал .
Подскажите какой лучше будет по звуку ?
И еще вопрос - есть транс ТН 39 , возможно ли его поставит как силивой по этой схеме ?
Заранее благодарен . Стас .
Top
Dens
Дата 5.03.2009 - 21:05
Цитировать сообщение




Unregistered












ќткуда:


Ты какую лампу на выход ставить собрался? Если ел 84 (6п14п) то вот примерный расчет: Транс на выход: Тв 3ш, 1чка = 3000, к. трансформации 25 для нагрузки 8 ом, 35 для нагрузки 4ом.
Расчет: 3000:х=25. Х= 3000:25= 120. 120 витков 2 обм на сопр 8 ом. 86 вит. На сопортивление 4 ома.
Перематывай вторичку, ставь ту же прокладку из бумаги на место. Под 6п3с слабовата первичка, думаю(0.14 по меди, кажется, надо хоть 0.2).
Там намоточные данные на трансе имеются. ТН это накальный транс, анодных обмоток нет. Разбирать их и перематывать имхо нереально, залиты дрянью зеленой.
Насчет аудиоинструмента, если ты так богат biggrin.gif купи комбик готовый laugh.gif
Top
Alex CH
Дата 28.04.2011 - 22:13
Цитировать сообщение




Unregistered












ќткуда:


У меня есть транс ИП 4.730.015 моточные данные: первичка 0.12 - 3000 витков(500 Ом), вторичка 0.51 - 91 виток(1.5 Ом)
Индуктивность мин. - 9Гн
Вопрос можно ли этот транс применить в данной конструкции с 6п14,(6п6) или 6п3с? Чего в нем перемотать если это можно и нужно?
Спасибо smile.gif
Top
Alex CH
Дата 30.04.2011 - 18:28
Цитировать сообщение




Unregistered












ќткуда:


Ребяяяяят!!! ну ответьте кто нибудь sad.gif
Top
gls
Дата 30.04.2011 - 19:30
Цитировать сообщение




Unregistered












ќткуда:


У этого транса вот такие данные, судя по моточным данным:
Ra=10900 Ом;
КПД=0,8.

Вообщем приведенное для пентода большое слишком, нужно около 3-5кОм, в зависимости от лампы и напряжений на ней. Если есть немагнитный зазор в нем, можно вторичку домотать до нужного Ra, если нет, нужны все данные для расчета: длина силовой линии по стале, сечение стали, размеры окна для меди и т.п.
Top
Beermonza
Дата 30.04.2011 - 19:39
Цитировать сообщение




Unregistered












ќткуда:


Alex CH, если ИП 4.730.015 это ТВ3-1-9, то там не может быть 91 вит. во вторичной, поскольку приведенное на лампу 6П14П или 6П6С по паспорту 5К на нагрузку 4 Ом во вторичной. Разбираешь его, доматываешь 30 витков проводом 0,5 мм или можно чуть тоньше, главное, чтобы вместился, и будет выходник под однотакт 6П14П или 6П6С на динамик 8 Ом.
Top
gls
Дата 30.04.2011 - 19:41
Цитировать сообщение




Unregistered












ќткуда:


Да, это относилось к нагрузке 8Ом. Для 4 Ом не сильно лучше: Ra=6.4кОм, КПД=0,68. Тоже много, раза в 2 меньше нужно, т.е. вторичку нужно доматать. Мой совет - взять транс ватт на 50 габаритной и намотать с зазором, будет в 100 раз лучше.

Это сообщение отредактировал gls - 30.04.2011 - 19:43
Top
Alex CH
Дата 30.04.2011 - 20:24
Цитировать сообщение




Unregistered












ќткуда:


Спасибо что отозвался rolleyes.gif ну зазор вроде есть небольшой, а домотать нужно до 120 витков примерно? как во втором посте считать? На 6п1п пойдет такой комплект?(хвалят ее многие) Нагрузка 8 Ом.
Top
Alex CH
Дата 30.04.2011 - 20:32
Цитировать сообщение




Unregistered












ќткуда:


Beermonza: ну я не уверен что это ТВЗ 1-9, у него первичка 0.14 провод, а у меня 0.12(все данные разумеется не с фонаря-на трансе написаны). 0.5-го провода есть немного(домотать точно хватит). С моей первичкой нормально потянет?
Top
Beermonza
Дата 30.04.2011 - 20:52
Цитировать сообщение




Unregistered












ќткуда:


Alex CH, я такой маркировки не помню, но в сети есть некоторая информация, что выходной трансформатор ИП 4.730.015 и есть ТВЗ-1-9, а такой я разматывал самолично, ...там на вторичной 85 витков проводом диаметра 0,55 мм (если правильно помню), а первичная 1480+1480 витков проводом диаметра 0,135 мм (по многовитковому замеру). Я понимаю, что мотались они как попало, и так и этак, и внавал и виток к витку. Самое паршивое - пропитка парафином, ...я бы все нахрен перемотал новым проводом. А так, доматывай поверх 30 витков вторичной, не считая КТ, сильно не промажешь.
Top
Alex CH
Дата 30.04.2011 - 21:58
Цитировать сообщение




Unregistered












ќткуда:


Спасибо большое Beermonza smile.gif Мощности примерно вата 4-4.5 будет? Ну может и перемотаю при наличии необходимых материалов, благо станок у меня готов почти smile.gif Вообще посмотрю че там с качеством намотки, может может повезет smile.gif
Top
Beermonza
Дата 30.04.2011 - 23:17
Цитировать сообщение




Unregistered












ќткуда:


Да, 4 Вт смело.
Top
gls
Дата 1.05.2011 - 08:27
Цитировать сообщение




Unregistered












ќткуда:


6П1П аналог 6П6С, но последняя лучше хотя бы максимальным анодным (350 против 250).
Я бы сделал вот так например оконечный каскад (сабжевую схему не смотрел)
img-1926-202cb962ac.JPG
Выходная 4.4Вт.
С трансом дело совсем туго, сопротивление вторички будет стремится к 2.5-3 Омам, что в итоге даст КПД~0.6 (останется 2,7Вт), придется домотать 119 витков (8Ом), что нереально, я так понимаю.

Это сообщение отредактировал gls - 1.05.2011 - 08:29
Top
Alex CH
Дата 1.05.2011 - 09:14
Цитировать сообщение




Unregistered












ќткуда:


Ну там схема такая же, только с другими номиналами немного. Ну я бумагу еще толстую внешнюю не пробовал сматывать - может и получится(это я думаю 2 слоя примерно). А вообще считал что коэффициент трансформации-25 для 8 Ом(120) витков, разве нет? Так лучше 6п6с использовать что ли? Я и про нее в однотакте положительные отзывы читал, просто говорят, что на 6п1п "взрослый" звук получается и на низких мощностях. Че то я в сомнениях unsure.gif
Top
gls
Дата 1.05.2011 - 12:50
Цитировать сообщение




Unregistered












ќткуда:


6П1П = 6П6С, просто одна в октальном варианте, другая в пальчиковом. Звучат они действительно серьезно на низких мощностях. Коэффициент трансформации можно так прикидывать, если кпд близка к единице. В вашем случае сопротивления обмоток ужасно большие. Посмотрите любую методику расчета коэффициента в книжках: он зависит от приведенного и сопротивлений обмоток (кпд).
Top
Alex CH
Дата 1.05.2011 - 13:29
Цитировать сообщение




Unregistered












ќткуда:


R первички действительно большое, ну значит попробую всунуть туда еще витков. dry.gif
Top
Beermonza
Дата 1.05.2011 - 18:19
Цитировать сообщение




Unregistered












ќткуда:


Alex CH, активное сопротивление первичной у ТВ3-1-9 как и для любого маловаттного выходника 450-550 Ом, оно добавляется к приведенному, ...так что если выходит 4,6К то не страшно, будет 5,1К. КПД сильно не падает, оно ниже 80% не опускается. Это типично распространенный вариант среди начинающих: 6П6С или 6П14П + ТВ3-1-9 с домоткой 30 витков на вторичную и питание 300 В после дросселя, на вторую сетку после резистора 1К.
Top
Alex CH
Дата 1.05.2011 - 18:28
Цитировать сообщение




Unregistered












ќткуда:


Beermonza[b], значит мотаю 30 и катит, если хватает места, то лучше домотать до 200 витков так?
Top
gls
Дата 1.05.2011 - 19:38
Цитировать сообщение




Unregistered












ќткуда:


Beermonza
Я понимаю, что так делают, доматывают 30 витков, но вы же не будете утверждать, что звучит это хорошо. Потом начинаются проблемы типа: мыло, мало низких, преамп не тот и т.п.

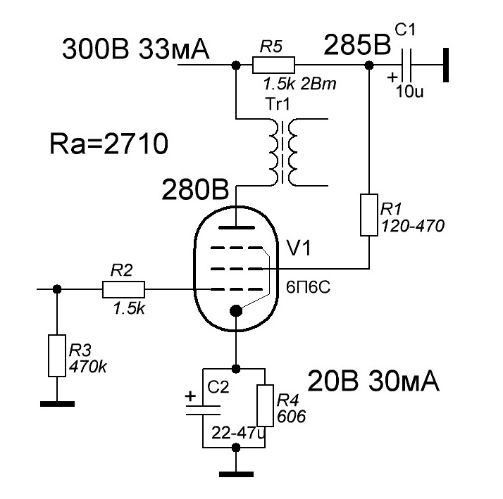
Попробую точнее показать, что вы предлагаете. Доматаем 30, станет 121 витков, возьмем кпд=0,8, ведь меньше не бывает. Два варианта:
1) нагрузка 8Ом, приведенное получается 6.1кОм, сопротивление вторички должно быть не более 1,17 Ома для кпд 0,8. Допустим вторичка перемотана более толстой проволокой (иначе придется понижать кпд, а вместе повысится приведенное, что нам совсем не надо). А теперь как это будет работать (285В на второй сетке):
User posted image
2) нагрузка 4 Ома, кпд 0,8. Приведенное получается 3.1 кОм, что как раз то, что нужно. Правда вторичка в этом случае должна быть не более 0,16 Ом.

Это сообщение отредактировал gls - 1.05.2011 - 19:39
Top
Beermonza
Дата 1.05.2011 - 22:34
Цитировать сообщение




Unregistered












ќткуда:


gls, я не могу точно сказать, что получается, поскольку моточные данные подвергнуты сомнению, ...можно сколь угодно гадать, что и как получится. Разумеется, конфету из этого не сделать, но вы посмотрите на те возможности которыми обладает начинающий. Это как правило подручные детали, б/у компоненты из радиоприемников и телевизоров, и добытый с трудом гитарный динамик, например, самый доступный на 8" Celestion Super 8, который звучит не самым лучшим образом, ...и посредственный трансформатор типа ТВ3-1-9 может хоть как-то завуалировать посредственное звучание.
Top
1 Пользователей читают эту тему (1 Гостей и 0 Скрытых Пользователей)
0 Пользователей:

Опции темы Страницы: (5) [1] 2 3 ... Последняя » Ответ в темуСоздание новой темыСоздание опроса

 

<% COPYRIGHT %>