www.diyfactory.ru



Страницы: (6) « Первая ... 4 5 [6]   ( Перейти к первому непрочитанному сообщению ) Ответ в темуСоздание новой темыСоздание опроса

> Предусилитель для пружинного ревера
xucc
Дата 16.04.2008 - 13:29
Цитировать сообщение




Unregistered












ќткуда:


Как же быть с регулировкой ревера?

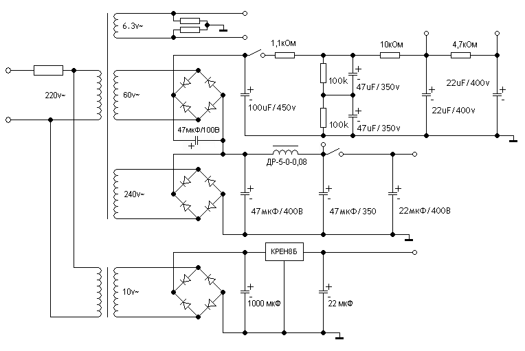
Вот общий БП отрисовал - это тот самый момент, когда я накосячил в нем. По такой схеме усилитель работал около 15 секунд. А может минуту - я не помню. Инетересно, что когда была включена анодка на оконечнике (на схеме красный отрезок, перед дросселем др-5-0-0,08) а анодка преда выключена, кондеры БП преда все равно зарядились.
Top
LION
Дата 16.04.2008 - 13:55
Цитировать сообщение




Unregistered












ќткуда:


Цитата (xucc @ 16.04.2008 - 13:29)
Как же быть с регулировкой ревера?

Вот общий БП отрисовал - это тот самый момент, когда я накосячил в нем. По такой схеме усилитель работал около 15 секунд. А может минуту - я не помню. Инетересно, что когда была включена анодка на оконечнике (на схеме красный отрезок, перед дросселем др-5-0-0,08) а анодка преда выключена, кондеры БП преда все равно зарядились.

Чудеса, из космоса наверно... biggrin.gif
Гул при включении без анодного возможен если он прёт с ревера, через сетку и далее на выжод, выходная лампа сработает как вакуумный диод (накал то включен)
Попробуй вход ревера (непосредственно вход лм-ки) коротнуть на массу, и включить без анодки.
Результат сообщи.
Top
xucc
Дата 23.04.2008 - 17:11
Цитировать сообщение




Unregistered












ќткуда:


Последние новости с поля боя.
Ввиду возникшей проблемы с блоком питания, вынужден приотсановить атаку на пред для ревера.
Надеюсь, не надолго smile.gif
Top
xucc
Дата 30.05.2008 - 13:16
Цитировать сообщение




Unregistered












ќткуда:


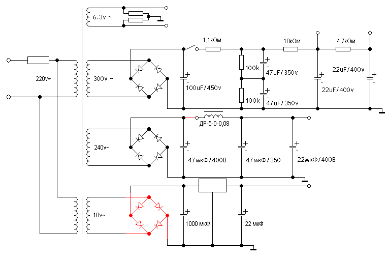
Проблемы с БП решились благодаря LION'у, за что ему огромнейшее спасибо! smile.gif
Вот такая схема была предложена: СХЕМА
Что скажете?
У меня вторичка поделена на две секции, в которых 240В и 60В соответственно. От первой ее части я питаю оконечник, а от первой+второй части я РАНЬШЕ питал пред. Но это было неправильно, т.к. мосты имели общую точку и по переменке и по постоянке, изза чего происходили глюки (высокие напряжения откуда-то появлялось).

P.S. Понимаю, что немного далеко от тему, за что извиняюсь smile.gif
P.P.S. Ревербератор уже на стадии финиша, я думаю smile.gif После сессии, я его закончу - точно!!
Top
Батя
Дата 2.07.2008 - 21:50
Цитировать сообщение




Unregistered












ќткуда:


Мож немного не в тему. Тоже была задача дополнить свою нафаршированную примочку ревером. И тоже хотел слепить пружинную, но меня отговорили от этой затеи по причине недостатков пружин. Чуствительность к внешним вибрациям. Тогда применил готовую микруху : НТ8970 (ревербиратор, эхо), к стати и МастерКит передрал с даташита типовую схему включения оной и выпустил готовые блоки. На мой взгляд работает нормально, и время повторений и его количество регулируется. Мне понравилось, и дешево и сердито.
Теперь на базе этой (линии задержки) хочу разработать крутой флэнжер, только управлять этими НТ8970 придется через резисторные оптопары.

Это сообщение отредактировал Батя - 2.07.2008 - 21:55
Top
1 Пользователей читают эту тему (1 Гостей и 0 Скрытых Пользователей)
0 Пользователей:

Опции темы Страницы: (6) « Первая ... 4 5 [6]  Ответ в темуСоздание новой темыСоздание опроса

 

<% COPYRIGHT %>