www.diyfactory.ru



  Ответ в темуСоздание новой темыСоздание опроса

> Вокальный питч
BH666
Дата 19.01.2010 - 20:28
Цитировать сообщение




Unregistered












ќткуда:


В общем нужно сделать вокальный питч на 15% вниз. Каким образом это можно сделать в примочке?
Top
Diz
Дата 19.01.2010 - 22:09
Цитировать сообщение




Unregistered












ќткуда:


Купить питчшифтер Ж)

Или интересует самосборное ? Будет на несколько порядков дороже,
плюс придется изучать злой матан для цифровой обработки.
Top
Tuvalu
Дата 19.01.2010 - 22:28
Цитировать сообщение




Unregistered












ќткуда:


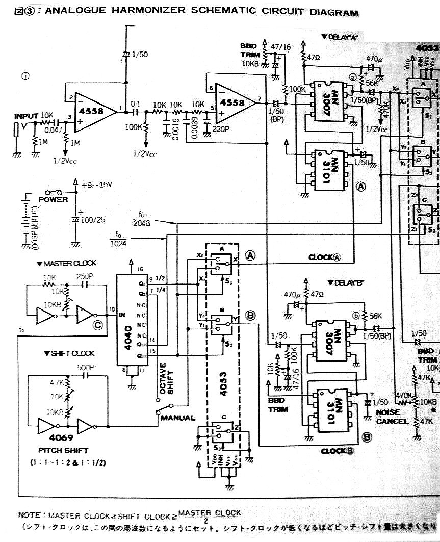
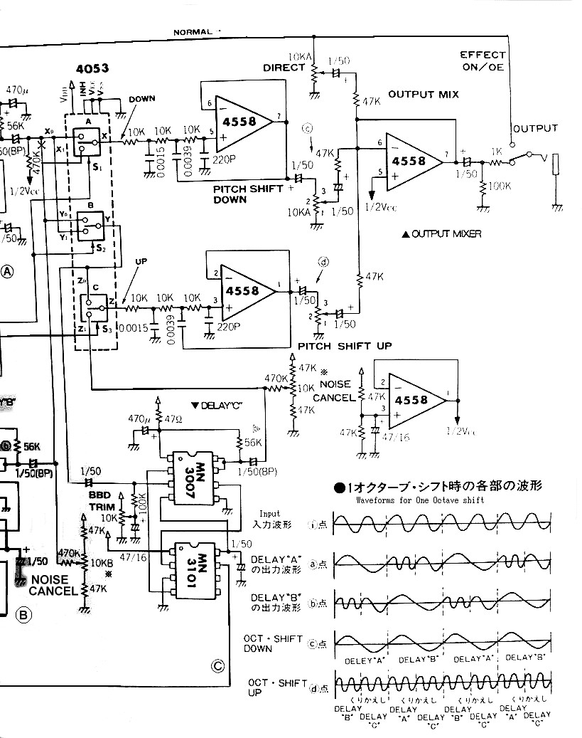
http://www.synthdiy.com/show/file/?id=1915
http://www.synthdiy.com/show/file/?id=1916

Редкая схема аналогового питч-шифтера. Вокальный-не вокальный, но сдвинет, на сколько надо. Принцип простой (простой?): записать на одной скорости, воспроизвести с другой. Небольшая задержка, конечно же будет, впрочем, как и в цифровом.
А, вообще-то, согласен с Diz - проще (и лучше) купить.
Top
Diz
Дата 20.01.2010 - 00:28
Цитировать сообщение




Unregistered












ќткуда:


Tuvalu, интересная штука. Один из ранних алгоритмов питч-шифта -
при чтении с другой скоростью делаем постоянные кроссфейды между
двумя кольцевыми буферами (чтобы разрывы-скачки не были так заметны).
Звучит, видимо, как и первые цифровые питч-шифтеры - то-есть очень
пластмассово и харизматично.
Top
sea
Дата 21.01.2010 - 15:45
Цитировать сообщение




Unregistered












ќткуда:


А если сделать перенос на промежуточную частоту, а потом обратно, но со сдвигом. Читал, что такой метод использовали раньше для хоруса.
Да и принимая однополосные сигналы на приемник, настроившись выше или ниже можно "заставить" голос или пищать или басить. Единственная проблема там в том, что гармоники в голосе сдвинутся линейно, а не как положено.

ЗЫ. А немного почитать про это можно в книжке МРБ. Выпуск 0616. И. Д. Симонов. Новое в электромузыкальных инструментах. М. 1966 г. - (966 Кб). Страница 11 начиная с последнего абзаца.
Взять можно у меня тут http://diy.192khz.ru/

Это сообщение отредактировал sea - 21.01.2010 - 15:53
Top
Diz
Дата 21.01.2010 - 17:35
Цитировать сообщение




Unregistered












ќткуда:


Ага, в таком варианте каждая частота сдвинется на разницу между ней и ПЧ.
Будет звучать как ring modulator :-)

Для хоруса, кстати, с его минимальным сдвигом, может быть интересно.
Top
sea
Дата 22.01.2010 - 10:47
Цитировать сообщение




Unregistered












ќткуда:


Ну чтоже. Будем знать, что для PITCH этот метод не подойдет.
Top
Tuvalu
Дата 22.01.2010 - 20:24
Цитировать сообщение




Unregistered












ќткуда:


Всё правильно, подойдёт или для хоруса, или для буратинского голоса и подобных эффектов. Я такое делал (слегка переделанная схема ВЧ-преобразователя Кетнерса), хорус получился хороший. Точнее, не хорус, а унисон, т.к., в отличие от хоруса, нет плавания тона туда-сюда, поэтому иммитировать всякие двеннадцатиструнки - самое оно. Относительный недостаток - это разная расстройка для разных нот, т.к. прибавляется (или отнимается) одно и то же кол-во Гц, а не центов. Увы, это не питч-шифтер.

Это сообщение отредактировал Tuvalu - 22.01.2010 - 20:25
Top
sea
Дата 23.01.2010 - 12:24
Цитировать сообщение




Unregistered












ќткуда:


Top
1 Пользователей читают эту тему (1 Гостей и 0 Скрытых Пользователей)
0 Пользователей:

Опции темы Ответ в темуСоздание новой темыСоздание опроса

 

<% COPYRIGHT %>